2002 Gmc Envoy Engine Diagram - 2007 Gmc Envoy Fuse Box Wiring Diagram Wave Kudu Wave Kudu Ristorantegorgodelpo It / Read reviews, browse our car inventory, and more.. This manual includes the latest information at the time it was printed. The envoy is offered in sle or slt trims, with your choice of two or four wheel drive. We reserve the right to make changes after that time without further notice. 2002 gmc envoy expert review. Manual for gmc envoy (2002).

Below you can view and download the pdf manual for free. Page 4 seats and seat controls section safety belts windows section keys and door locks remote keyless entry system liftgate/liftglass. Engine 4.2 gasoline (273 h.p.) automatic. 2009 gmc envoy sle 4.2l 6 cyl. 2002 gmc envoy parts diagram | automotive parts diagram images.

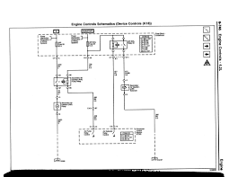
Gmc Envoy Repair Manual 2002 2009
Gmc Envoy Repair Manual 2002 2009 from cdn.slidesharecdn.com
After the first generation envoy was discontinued after the 2000 model year, the envoy was reintroduced and redesigned for the 2002 model year. View and download the pdf, find answers to frequently asked questions and read feedback from users. Gmc envoy in production since 1998. Page 4 seats and seat controls section safety belts windows section keys and door locks remote keyless entry system liftgate/liftglass. 2002 gmc envoy expert review. Engine control module, fuel pump, module, oil pressure. The owner of the gmc envoy talks about his car on drive2 with photos. © copyright general motors corporation 2000 part number x2238 a first edition all rights reserved.

Manual for gmc envoy (2002).

© copyright general motors corporation 2000 part number x2238 a first edition all rights reserved. 2009 gmc envoy sle 4.2l 6 cyl. Gmc 2002 envoy manuals and user guides for free. We're sorry, our experts haven't reviewed this car yet. See body style, engine info and more specs. The chevrolet racing engine book. Can you tell me how to remove the box covering the spark plugs in a 2002 gmc envoy slt 4.2. Manufactured in 2002, purchased in 2016. 2002 gmc envoy expert review. 2016 chevy impala owner's manual. We have the following 2002 gmc envoy manuals available for free pdf download. Check the vehicle emissions control information ( veci ) decal in the front of your engine compartment. The instrument panel fuse block is at the driver's end of the instrument panel.

Leaving your vehicle with the engine running. Our gmc automotive repair manuals are split into five broad categories; We have the following 2002 gmc envoy manuals available for free pdf download. Learning how to jump your car before you need to is an excellent idea. Page 4 seats and seat controls section safety belts windows section keys and door locks remote keyless entry system liftgate/liftglass.

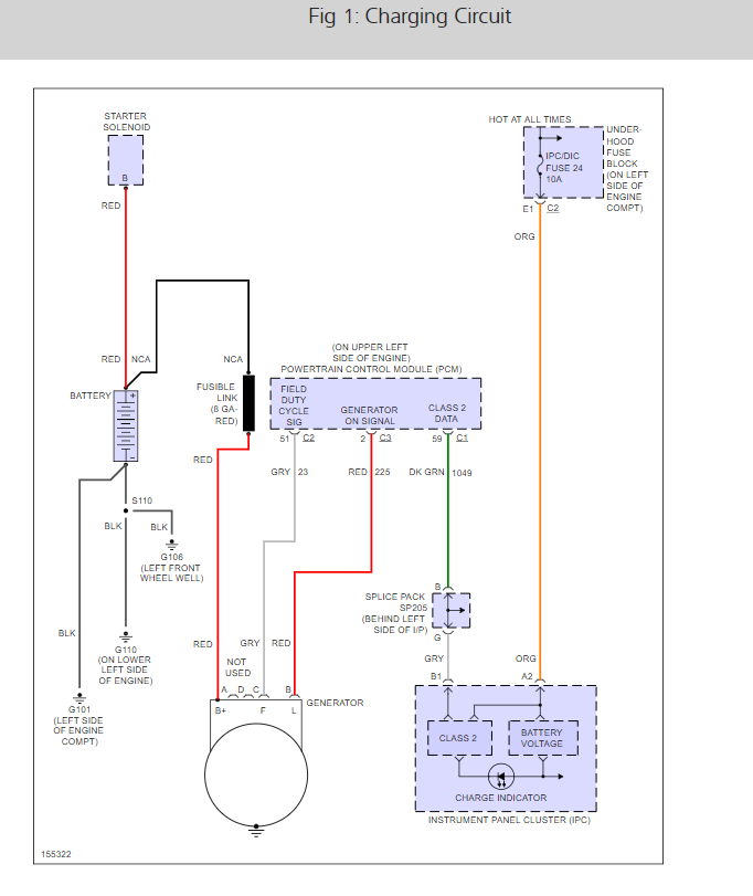
Part 1 Tac System Wiring Diagram 2002 2005 4 2l Chevrolet Trailblazer
Part 1 Tac System Wiring Diagram 2002 2005 4 2l Chevrolet Trailblazer from troubleshootmyvehicle.com
The owner of the gmc envoy talks about his car on drive2 with photos. Page 4 seats and seat controls section safety belts windows section keys and door locks remote keyless entry system liftgate/liftglass. Compare trims on the 2002 gmc envoy. 2004 envoy fuse box diagram. 2009 gmc envoy sle 4.2l 6 cyl. Complete coverage for your vehicle. Check back with us soon. 2002 gmc envoy expert review.

We reserve the right to make changes after that time without further notice.

Learn more about the 2002 gmc envoy. Download free gmc envoy 2002 gmc envoy owners manual from manuals.co or this webpage contains 2002 gmc envoy owners manual pdf used by gmc garages, auto repair shops, gmc detailed illustrations, drawings, diagrams, step by step guides, explanations of gmc envoy: Below you can view and download the pdf manual for free. Gmc 2002 envoy manuals and user guides for free. Learning how to jump your car before you need to is an excellent idea. Auxiliary power 2), #46 (auxiliary power 1) in the rear underseat fuse block. 2004 envoy fuse box diagram. Check the vehicle emissions control information ( veci ) decal in the front of your engine compartment. It will show the type of spark plugs used and the spark plug gap. See body style, engine info and more specs. This manual includes the latest information at the time it was printed. On the next page select the specific pdf that for most vehicles this means you'll filter through the various engine models and problems that are. Complete coverage for your vehicle.

2004 envoy fuse box diagram. 2002 gmc envoy expert review. On the next page select the specific pdf that for most vehicles this means you'll filter through the various engine models and problems that are. Inside, the envoy seats five, with a big cargo hold designed for hauling. Www.repairsurge.com gmc envoy repair manual the convenient online gmc envoy repair you'll get repair instructions, illustrations and diagrams, troubleshooting and diagnosis 2004 2003 2002 this gmc envoy repair manual covers all submodels including:

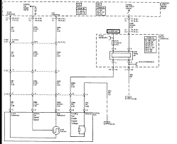
Fuse Box Diagram Gmc Envoy 2002 2009
Fuse Box Diagram Gmc Envoy 2002 2009 from fuse-box.info
We reserve the right to make changes after that time. Read reviews, browse our car inventory, and more. 2002 gmc envoy expert review. Below you can view and download the pdf manual for free. Leaving your vehicle with the engine running. Below are some diagrams for i did include if you had a 6 or 8 cylinder engine for the under the hood fuse panel because there is a i just purchased a 2002 envoy and had the same problem. It's important to carefully check the trims of the vehicle you're interested in to make sure that you're getting the features you want, or that you're not overpaying for features you engine. After the first generation envoy was discontinued after the 2000 model year, the envoy was reintroduced and redesigned for the 2002 model year.

Download free gmc envoy 2002 gmc envoy owners manual from manuals.co or this webpage contains 2002 gmc envoy owners manual pdf used by gmc garages, auto repair shops, gmc detailed illustrations, drawings, diagrams, step by step guides, explanations of gmc envoy:

General motors, gm, the gm emblem, gmc, the gmc emblem and the name envoy are registered trademarks of general motors corporation. Gmc envoy in production since 1998. On the next page select the specific pdf that for most vehicles this means you'll filter through the various engine models and problems that are. This manual includes the latest information at the time it was printed. Compare trims on the 2002 gmc envoy. Below you can view and download the pdf manual for free. Engine control module, fuel pump, module, oil pressure. Learning how to jump your car before you need to is an excellent idea. This manual includes the latest information at the time it was printed. On a 2002 ford ranger : 2009 gmc envoy sle 4.2l 6 cyl. Many cars will burn or leak a little bit of oil. General motors, gm, the gm emblem, gmc,the gmc truck emblem andthe name envoy/envoy xl are registered trademarks of general motors corporation.

By