2005 Saturn Relay Fuel Filter Location - 2005 Chrysler Sebring Fuel Filter Wiring Diagram Recent Mute Crowd Mute Crowd Cosavedereanapoli It / Saturn sl2 fuel filter location wiring diagram raw.. How long is this vehicle, 2004 saturn relay minivan? Order new replacement fuel filter for saturn relay online at up to 75% off list price! They are available for the following saturn relay years: Where is the transmission filter location on a 2003 saturn ion. If your car services is approaches here you can find the location and how to replace your filters.

2005 saturn relay owner manual m. Order new replacement fuel filter for saturn relay online at up to 75% off list price! Saturn relay 2005 user manual. How long is this vehicle, 2004 saturn relay minivan? Climate control, rpa, cruise control.

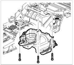
Where Do I Find The Fuel Filter In My 2005 Saturn Relay Awd And
Where Do I Find The Fuel Filter In My 2005 Saturn Relay Awd And from www.2carpros.com
We're sorry, our experts haven't reviewed this car yet. Saturn relay minivan 2004, 2005, 2006, 2007. This manual comes under the category cars and has been rated by 1 people with an average of a 7.5. You can click here to view all 41 videos that we have for this product. Mercury in drinking water and rain, is found throughout the environment mostly. Buy now from k&n's online store and get a 100% money back guarantee on any oil filter! Location of cabin air filter on 2005 saturn relay 2. Learn more about the 2005 saturn relay.

Car filters location, air filter, oil filter, pollen filter.

Buy now from k&n's online store and get a 100% money back guarantee on any oil filter! 01 ranger fuse diagram wiring diagrams. Location of cabin air filter on 2005 saturn relay 2. Learn more about the 2005 saturn relay. Fast shipping, a+ rating from bbb, and usa customer support. The fuel filter is located under the car behind the fuel tank on the right hand side it has 1 10mm bolt holding it on and press release clips for the lines. Order new replacement fuel filter for saturn relay online at up to 75% off list price! Climate control, rpa, cruise control. View the saturn relay (2005) manual for free or ask your question to other saturn relay (2005) owners. By ciprian on january 22, 2015 in saturn filter location tagged 2005 saturn relay cabin air filter. It was introduced for the 2005 model year, and was built alongside [[badge engineering|badge engineered}} variants, the buick terraza, the chevrolet uplander, and the pontiac montana sv6 in doraville, georgia. › see all products in tools & equipment. 2005 saturn relay book toc.

In this article, you will find fuse box diagrams of saturn relay 2004, 2005, 2006 and 2007, get information about the location of the fuse panels inside the car, and learn about the assignment of each fuse (fuse layout) and relay. We're sorry, our experts haven't reviewed this car yet. This webpage contains 2005 saturn relay owners manual pdf used by saturn garages, auto repair shops, saturn dealerships and home mechanics. 2005 saturn relay owner manual • read online or download pdf • saturn 2005 relay user manual. Saturn relay minivan 2004, 2005, 2006, 2007.

Solved Cant Find The Fuel Filter 2007 Saturn Vue Fixya
Solved Cant Find The Fuel Filter 2007 Saturn Vue Fixya from www.fixya.com
2007, 2006, 2005, 07, 06, 05. Saturn relay replacement oil filters. Replace saturn relay cabin air filter home. Order new replacement fuel filter for saturn relay online at up to 75% off list price! In this article, you will find fuse box diagrams of saturn relay 2004, 2005, 2006 and 2007, get information about the location of the fuse panels inside the car, and learn about the assignment of each fuse (fuse layout) and relay. Fast shipping, a+ rating from bbb, and usa customer support. This video is not meant to be a definitive how to.always consult a. Outstanding oil filtration for saturn relay models.

Behind the glove box, after taking out the glove box it has a cover markedair filter access door.

2005 saturn relay owner manual • read online or download pdf • saturn 2005 relay user manual. This part is also sometimes called saturn relay fuel filters. 2005 saturn relay owner manual. 13.9 l/100 km 16.92 us mpg @ 3200 rpm. View online owner's manual for saturn 2005 relay automobile or simply click download button to examine the saturn 2005 relay guidelines offline on your desktop or laptop computer. How do i get my spare tire out of the bottom of view 5 videos for the 2005 saturn relay below. Select your make and model in the red title bar above so we can show the parts you need. 2005 saturn relay book toc. This webpage contains 2005 saturn relay owners manual pdf used by saturn garages, auto repair shops, saturn dealerships and home mechanics. Saturn relay 2005 user manual. Learn more about the 2005 saturn relay. With this saturn relay workshop manual, you can perform every job that could be done by saturn garages and mechanics from The saturn relay is a minivan that was made by general motors.

Mercury in drinking water and rain, is found throughout the environment mostly. Fuel filter for saturn relay montana rendezvous silhouette venture aztek wp89b4 (fits: Saturn and the saturn emblem are registered trademarks of saturn corporation and the name relay is a trademark of saturn corporation. With this saturn relay workshop manual, you can perform every job that could be done by saturn garages and mechanics from Location of cabin air filter on 2005 saturn relay 2.

Oil Filter Change Saturn Vue 2002 2007 2005 Saturn Vue 2 2l 4 Cyl
Oil Filter Change Saturn Vue 2002 2007 2005 Saturn Vue 2 2l 4 Cyl from d2n97g4vasjwsk.cloudfront.net
You can click here to view all 41 videos that we have for this product. How long is this vehicle, 2004 saturn relay minivan? 2005 saturn relay book toc. In this article, you will find fuse box diagrams of saturn relay 2004, 2005, 2006 and 2007, get information about the location of the fuse panels inside the car, and learn about the assignment of each fuse (fuse layout) and relay. Location of cabin air filter on 2005 saturn relay 2. Select your make and model in the red title bar above so we can show the parts you need. Saturn and the saturn emblem are registered trademarks of saturn corporation and the name relay is a trademark of saturn corporation. Climate control, rpa, cruise control.

Climate control, rpa, cruise control.

Kia fuel pump wiring wiring diagram general helper. Behind the glove box, after taking out the glove box it has a cover markedair filter access door. View the saturn relay (2005) manual for free or ask your question to other saturn relay (2005) owners. Where is the transmission filter location on a 2003 saturn ion. Saturn relay minivan 2004, 2005, 2006, 2007. The minivan saturn relay was produced from 2004 to 2007. Buy now from k&n's online store and get a 100% money back guarantee on any oil filter! Where is the run start relay located on a 2006 saturn ion. The only fuel filter this car has is int he tank before the fuel pump some would call it a strainer. Car filters location, air filter, oil filter, pollen filter. Outstanding oil filtration for saturn relay models. This position gives you more power but lower fuel economy than second. 2005 saturn relay expert review.

By