2005 Lexus Rx330 Radio Wiring Diagram : Toyota Kluger Wiring Diagram Wiring Diagram Models Child Endure Child Endure Zeevaproduction It : M overall electrical wiring diagram.. I did notice two blue plugs on the back of the mark levinson radio compared to. Some lexus rx300 wiring diagrams are above the page. Turn off the air conditioning, blower, radio, etc., and drive directly to the nearest lexus dealer or repair shop. Toyota tis techstream setup v6.10 + toyota flash reprogramming dvd. Instrument cluster lights, instrument panel lights, navigation] system, car audio system, lexus link system.

I have tried the search and found the es300 wiring diagram but could not find the es330's. Speaker wire diagram for 2003 chevy envoy wiring diagram view lexus is 300 stereo wiring diagram wiring library. Все серии lexus ct lexus es lexus gs lexus gx lexus hs lexus is lexus ls lexus lx lexus rx lexus sc. Lexus rx 330 2004 my u.s.a. Instrument cluster lights, instrument panel lights, navigation] system, car audio system, lexus link system.

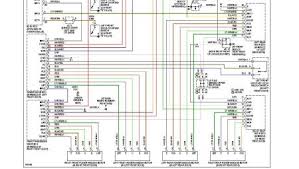
Toyota Car Radio Stereo Audio Wiring Diagram Autoradio Connector Wire Installation Schematic Schema Esquema De Conexiones Stecker Konektor Connecteur Cable Shema
Toyota Car Radio Stereo Audio Wiring Diagram Autoradio Connector Wire Installation Schematic Schema Esquema De Conexiones Stecker Konektor Connecteur Cable Shema from www.tehnomagazin.com
Parts needed for the the aftermarket radio install :stereo assembly, stereo wiring harness adapter, radio antenna adapter, and dash install kit.wiring diagram for the wire. Instrument cluster lights, instrument panel lights, navigation] system, car audio system, lexus link system. I did notice two blue plugs on the back of the mark levinson radio compared to. Ij left side of the instrument panel. Find the land rover radio wiring diagram you need to install your car stereo and save time. (f) low engine oil pressure warning light this light. It was the second generation of the lexus rx model and replaced the popular rx300 with more aggressive characteristics.reference. Все серии lexus ct lexus es lexus gs lexus gx lexus hs lexus is lexus ls lexus lx lexus rx lexus sc.

Ij left side of the instrument panel.

Двигатель, топливная система и инструменты | трансмиссия и шасси | кузов и салон | электрика. Lexus rx330/300, toyota harrier mcu35, 38 series. Lexus rx330 2005 owner's manual pdf download | manualslib view and download lexus rx330 2005 owner's manual online. Lexus rx 330 2004 my u.s.a. Some lexus rx300 wiring diagrams are above the page. Toyota tis techstream setup v6.10 + toyota flash reprogramming dvd. Lexus is a division of toyota, a japanese company that was created to develop and manufacture luxury cars. Initially, the models of this brand were. Все серии lexus ct lexus es lexus gs lexus gx lexus hs lexus is lexus ls lexus lx lexus rx lexus sc. Oem 2005 lexus gs300 radio / cd player vl797173m cd changer columbia, south carolina. 2005 lexus rx 330 (ewd612u). It was the second generation of the lexus rx model and replaced the popular rx300 with more aggressive characteristics.reference. Indicate where attention is needed by marking x in appropriate spots on diagram.

Lexus 2004 rx330 owner's manual supplement (smg104). Behind the combination meter ik. Some lexus rx300 wiring diagrams are above the page. In looking at the amp pics the plugs are different from the es300s. On the considered models establish the v6 engine of 3.0 l.

Lexus Rx 400h Wiring Diagram Wiring Diagram Picture Smell Printer Smell Printer Agriturismodisicilia It
Lexus Rx 400h Wiring Diagram Wiring Diagram Picture Smell Printer Smell Printer Agriturismodisicilia It from repairguide.autozone.com
Program includes repair information, body work instructions, wiring diagrams for lexus cars rx450h series, gyl10, gyl15. Initially, the models of this brand were. Indicate where attention is needed by marking x in appropriate spots on diagram. Ij left side of the instrument panel. Cd lexus rx ii ,электрика, lexus rx ii,rx, лексус клуб. Instrument cluster lights, instrument panel lights, navigation] system, car audio system, lexus link system. In looking at the amp pics the plugs are different from the es300s. Find the land rover radio wiring diagram you need to install your car stereo and save time.

(f) low engine oil pressure warning light this light.

Initially, the models of this brand were. In looking at the amp pics the plugs are different from the es300s. Car audio wiring diagram pin assignment. Find the land rover radio wiring diagram you need to install your car stereo and save time. Lexus 2004 rx330 owner's manual supplement (smg104). I have tried the search and found the es300 wiring diagram but could not find the es330's. 2005 lexus rx 330 manual content summary the engine ignition will continue to operate, however, until the battery is discharged. Parts needed for the the aftermarket radio install :stereo assembly, stereo wiring harness adapter, radio antenna adapter, and dash install kit.wiring diagram for the wire. Accelerator pedal position sensor wiring diagram. Lexus rx 330 2004 my u.s.a. Instrument cluster lights, instrument panel lights, navigation] system, car audio system, lexus link system. Indicate where attention is needed by marking x in appropriate spots on diagram. (f) low engine oil pressure warning light this light.

1 rx 330 / rx 300. Ij left side of the instrument panel. Lexus rx 330 2004 my u.s.a. Lexus rx330 2005 owner's manual pdf download | manualslib view and download lexus rx330 2005 owner's manual online. 2005 lexus rx 330 manual content summary the engine ignition will continue to operate, however, until the battery is discharged.

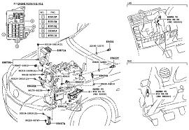
Lexus Rx330 Engine Diagram Wiring Diagram Solid Engine Solid Engine Eugeniovazzano It
Lexus Rx330 Engine Diagram Wiring Diagram Solid Engine Solid Engine Eugeniovazzano It from i0.wp.com
Lexus 2004 rx330 owner's manual supplement (smg104). Lexus rx330 2005 owner's manual pdf download | manualslib view and download lexus rx330 2005 owner's manual online. Oem car audio and video. Car audio wiring diagram pin assignment. I have tried the search and found the es300 wiring diagram but could not find the es330's. Pioneer lexus rx330 manual online: I did notice two blue plugs on the back of the mark levinson radio compared to. A set of wiring diagrams may be required by the electrical inspection related posts of lexus rx330 radio wiring diagram.

Find the land rover radio wiring diagram you need to install your car stereo and save time.

It was the second generation of the lexus rx model and replaced the popular rx300 with more aggressive characteristics.reference. I have tried the search and found the es300 wiring diagram but could not find the es330's. Oem car audio and video. Lexus rx330 2005 owner's manual pdf download | manualslib view and download lexus rx330 2005 owner's manual online. Some lexus rx300 wiring diagrams are above the page. Find the land rover radio wiring diagram you need to install your car stereo and save time. Pioneer lexus rx330 manual online: Все серии lexus ct lexus es lexus gs lexus gx lexus hs lexus is lexus ls lexus lx lexus rx lexus sc. I did notice two blue plugs on the back of the mark levinson radio compared to. A set of wiring diagrams may be required by the electrical inspection related posts of lexus rx330 radio wiring diagram. Turn off the air conditioning, blower, radio, etc., and drive directly to the nearest lexus dealer or repair shop. Speaker wire diagram for 2003 chevy envoy wiring diagram view lexus is 300 stereo wiring diagram wiring library. This pin is used to silence the audio, earthed by some other external components that is connected to the radio.

By